Welcome to Allied Automation Pte. Ltd!
visits :

Three-Position Pneumatic Actuators

Any inquiry, please contact with info@allied-actuator.com


We have been producing the ACHEM C series specific pneumatic actuatorsfor more than 20 years. There are two kinds of special type of actuator madeby us, one is large stroke actuator, the other is three-position actuator. Theseactuators can meet the special requirements of various valves and automaticrotary devices. The three-position actuator can not only provide perfectcontrol scheme for three-way or four-way valve, but also effectively solvethe problem of water hammer in industrial pipeline.

1. Large stroke actuator

1.1 An actuator with a rotation stroke of more than 120°is called a large stroke actuator. Based on our standardstroke (90°) actuator, as long as we are equipped with large stroke pistons and body and specially designed cam,the actuator will be able to perform the work of a large stroke. This stroke can be determined according to theneeds of the customer, such as 120°, 130°, 180°, 240° and so on.

1.2 The size of the large stroke actuator is the same as that of the standard actuator, except for the length whichare shown in tabel below.

Note that the top of the large stroke actuator at C125 and above size is equipped with two mounting rings.

1.3 The output torque is the same as that of the standard actuator of 90°. Note that our C series large strokeactuator is only available for double acting now.

2. Three-position pneumatic actuator

The three-position actuator is mainly used for the process control of three-way or four way valve or other three-position rotating device. We can provide two types of three-position pneumatic actuators. one is 90° three-position actuator of double acting and spring return which can perform stroke operation in three positions within the range of 90°, such as 0°, midway(MD) and 90°, MD = (20°, 80°), and the other one is 180° three-position actuator of double acting and spring return which can perform stroke operation in three positions within the range of 180°, such as 0°, midway and 180°, MD = (90°, 170°). However as for spring return actuator, MD=90°.

2.1 Three-position actuator of 90° or 180° with double acting (DA)

As shown above, the midway position of three position double acting actuator of 90° or 180° is achieved by a mechanical stops from 2 auxiliary pistons and adjusting limit screws. Firstly, air to port D forces the auxiliary pistons inwards and than stop in the midway under the restriction of the adjusting limit screw. The screw is external and adjustable. Second, air to port 4 forces the main pistons outwards, causing the pinion to turn clockwise which will be stopped under the restriction of the auxiliary piston bar in midway.

2.2 Three-position actuator of 90° with spring return (SR)

As shown above, the midway position of three position spring return actuator of 90° is achieved by a mechanical stops from 2 auxiliary pistons and adjusting limit screws. Firstly, air to port D forces the auxiliary pistons inwards and than stop in the midway under the restriction of the adjusting limit screw. The screw is external and adjustable. Second, air to port 4 forces the main pistons compression springs and outwards, causing the pinion to turn clockwise which will be stopped under the restriction of the auxiliary piston bar in midway.

2.3 Three-position actuator of 180° with spring return (SR)

Three-position single-acting (spring return) pneumatic actuator of 180° can perform stroke operation in three positions within the range of 180°, respectively 0°, 90° and 180°, where 0° and 180° are pneumatic stroke operations and 90° are spring return stroke operation. As shown in the figure above:
2.3.1 Air to port 4 forces the pistons outwards, causing the springs to compress, the pinion turns counterclockwise and stops at the 180° position under the limit of the cam, the 180±5° is adjustable by the left limit screw. At this time air is being exhausted from port 2.
2.3.2 Air to port 2 forces the pistons inwards, causing the springs to compress by positioning rod, the pinion turns clockwise and stops at the 0° position under the limit of the cam, the 0±5° is adjustable by the right limit screw. At this time air is being exhausted from port 4.
2.3.3 When loss of air pressure on ports 2 and 4, the stored energy in the springs forces the pistons moving and the pinion turn and stop to 90° position under the joint action of the spring seats and the positioning rod. The end cap limit screw can slightly adjust the output torque at 90°.

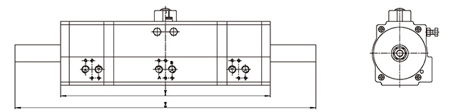
2.4. Dimensions of three-position pneumatic actuator

Most of the dimension of the three position actuator is the same as that of the standard actuator, except for the length which are shown in tabel below.
2.4.1 Three-position actuator of 90° with double acting (DA)
2.4.2 Three-position actuator of 90° with spring return (SR)
2.4.3 Three-position actuator of 180° with double acting (DA)
2.4.4 Three-position actuator of 180° with spring return (SR)
The three-position spring return actuator of 180° is a customer-ordered manufacturing product, its model has C-40T-180SR, C-52T-180SR, C-63T-180SR, C-75T-180SR, C-83T-180SR, C-92T-180SR, C-105T-180SR, C-125T-180SR, C-140T-180SR, C-160T-180SR, C-190T-180SR, C-210T-180SR, C-240T-180SR, C-270T-180SR, C-300T-180SR, C-350T-180SR, C-400T-180SR. The output torque of the actuator is the same as that for the standard actuator of 90°. The following figure shows the external dimensions of the C-300T-180SR. For the dimension drawing of other models, please contact the sales manager (info@alpha-achem.com).

Thank you for the visting. If you need detailed technical parameters and solutions, please visit the download area of this website or directly contact with us (info@alpha-achem.com).